Drehratengeber und Querbeschleunigungsgeber aus- und einbauen
In diesem Fahrzeug ist der Querbeschleunigungsgeber -G200-, der Drehratengeber -G202- und der Längsbeschleunigungsgeber -G251- (ausstattungsbedingt) im Steuergerät verbaut.
Ein separater Austausch ist nicht möglich.
- Steuergerät für ABS -J104- aus- und einbauen.
Geber für Lenkwinkel aus- und einbauen
Der Geber für Lenkwinkel -G85- ist zwischen Lenkrad und Lenkstockschalter eingebaut.
Aus- und einbauen:
→ Elektrische Anlage.
- Anschließend müssen Sie eine Grundeinstellung des Gebers für Lenkwinkel -G85- durchführen.
-Fahrzeugdiagnosetester- anschließen und Funktion anwählen.
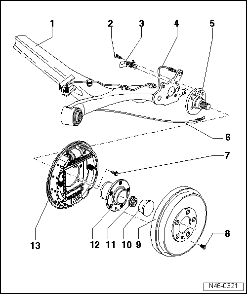
Drehzahlfühler an der Hinterachse aus- und einbauen
Ausbauen:
- Fahrzeug anheben.
- Trennen Sie die Steckverbindung -1- von der Drehzahlfühlerleitung und dem Drehzahlfühler.
- Drehen Sie die Schraube -2- aus dem Achszapfen heraus.
- ABS-Drehzahlfühler aus dem Achszapfen ziehen.
Einbauen:
- Vor dem Einsetzen des Drehzahlfühlers die Innenfläche der Bohrung reinigen und den Drehzahlfühler rundum mit Heißschraubenpaste G 052 112 A3 bestreichen.
- Setzen Sie den Drehzahlfühler in die Bohrung des Achszapfens ein und ziehen Sie die Schraube mit 8 Nm fest.
- Verbinden Sie den Drehzahlfühler mit der Drehzahlfühlerleitung.

Montageübersicht - Drehzahlfühler an der Hinterachse

Sensorring für ABS -1-

Drehzahlfühler an der Vorderachse aus- und einbauen
Ausbauen:
- Fahrzeug anheben.
- Trennen Sie die Steckverbindung -1- von der Drehzahlfühlerleitung und dem Drehzahlfühler.
- Drehen Sie die Schraube -2- aus dem Radlagergehäuse heraus.
- ABS-Drehzahlfühler aus Radlagergehäuse ziehen.
Einbauen:
- Vor dem Einsetzen des Drehzahlfühlers die Innenfläche der Bohrung reinigen und den Drehzahlfühler rundum mit Heißschraubenpaste G 052 112 A3 bestreichen.
- Setzen Sie den Drehzahlfühler in die Bohrung des Radlagergehäuses ein und ziehen Sie die Schraube mit 8 Nm fest.
- Verbinden Sie den Drehzahlfühler mit der Drehzahlfühlerleitung.
- Lenkung nach links und rechts bis auf Anschlag betätigen und die Freigängigkeit der Drehzahlfühlerleitung kontrollieren.

Montageübersicht - Drehzahlfühler an der Vorderachse

Sensorring für ABS -1-

ABS/ESP
Steuergerät für ABS -J104-
Einbauort: an der Hydraulikeinheit im Motorraum links unter dem Batterieträger.
Steckverbindung nicht vor erfolgter Eigendiagnose trennen. Vor dem T ...
Bremsleitungen an Hydraulikeinheit anschließen
Bremsleitungen an Hydraulikeinheit anschließen, Linkslenker
Druckstangenkolbenkreis des Hauptbremszylinders zur Hydraulikeinheit
Schwimmkolbenkr ...
Siehe auch:
Bedienung über die Bedienungselemente in der Mittelkonsole vorn
Abb. 111 Im oberen Teil der Mittelkonsole:
Bedienungselemente des Heiz- und Frischluftsystems.
Abb. 112 Im oberen Teil der Mittelkonsole:
Bedienungselemente der Klimaanlage.
Lesen und beachten Sie zuerst die einleitenden Informationen
und SicherheitshinweiseV ...