Einbaulage - Schaltbetätigung
Hinweis
Der -Pfeil A- zeigt die Schaltbewegung und den Schaltseilzug
Der -Pfeil B- zeigt die Wählbewegung und den Wählseilzug

Übersicht - Schaltbetätigung

Montageübersicht - Schaltknopf und Abdeckung

Montageübersicht - Schalthebel und Schaltgehäuse
Montageübersicht - Schalthebel und Schaltgehäuse, - Schalthebel wird zum Einlegen des Rückwärtsgangs "nicht herunter" gedrückt
Hinweis

Dämpfung -Pfeil- aus- und einbauen
- Den Steg -A- der Druckfeder so weit nach rechts drücken, bis er sich neben der Dämpfung -Pfeil- befindet.
- Schalthebel nach rechts bewegen; Dämpfung abziehen.

Montageübersicht - Schalthebel und Schaltgehäuse, - Schalthebel wird zum Einlegen des Rückwärtsgangs "herunter" gedrückt

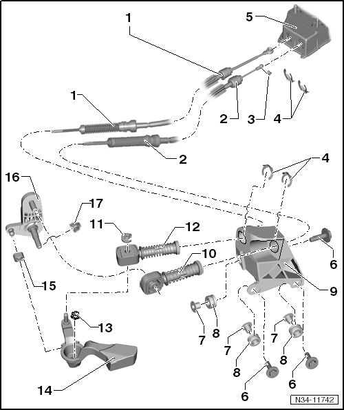
Montageübersicht - Betätigungsseilzüge
Hinweis

Schaltknopf aus- und einbauen
Benötigte Spezialwerkzeuge, Prüf- und Messgeräte sowie Hilfsmittel


Ausbauen

up!
- Schalthebelmanschette mit dem Demontagekeil -3409- vorsichtig vom Einsatz Mittelkonsole abhebeln -Pfeile-.

Polo
- Schalthebelmanschette mit dem Keil -T10383- vorsichtig vom Einsatz Mittelkonsole abhebeln -Pfeile-.
- Oder Schalthebelmanschette vorsichtig mit dem Demontagekeil -3409- aushebeln.
Fortsetzung für alle

- Schalthebelmanschette nach oben über den Schaltknopf stülpen.
- Klemmschelle -Pfeil- öffnen und Schaltknopf zusammen mit Schalthebelmanschette abziehen.
Einbauen
Der Einbau erfolgt in umgekehrter Reihenfolge, dabei Folgendes beachten:
- Schaltknopf zusammen mit der Schalthebelmanschette bis zum Anschlag auf den Schalthebel aufdrücken.
- Schaltknopf mit Klemmschelle -Pfeil- am Schalthebel befestigen. Dazu Schlauchbinderzange -V.A.G 1275 A- verwenden.

Unterscheidung der Plaketten


Schaltbetätigung aus- und einbauen
Benötigte Spezialwerkzeuge, Prüf- und Messgeräte sowie Hilfsmittel
Ausbauen
- Masseband der Batterie abklemmen → Elektrische Anlage.
- Manschette mit Schaltknopf und ggf. Geräuschdämpfung aus dem Rahmen für Mittelkonsole ausbauen.
up!
- Einsatz Mittelkonsole ausbauen → Karosserie-Montagearbeiten Innen.
- Mittelkonsole Oberteil im hinteren Bereich abschrauben → Karosserie-Montagearbeiten Innen.
- Mittelkonsole Unterteil im Fußraum abschrauben → Karosserie-Montagearbeiten Innen.
Polo
- Mittelkonsole mit Befestigungswinkel für Mittelkonsole abbauen → Karosserie-Montagearbeiten Innen.

Fortsetzung für alle
- Muttern -Pfeile- für Schaltgehäuse und ggf. für Befestigungswinkel der Mittelkonsole abschrauben dazu Mittelkonsole Unterteil vorsichtig etwas anheben.
- Schaltgehäuse absenken.
- Falls vorhanden, Dämpfung von dem Schaltgehäuse abbauen → Karosserie-Montagearbeiten Innen.
- Das komplette Luftfiltergehäuse ausbauen, wenn es sich über der Schaltbetätigung befindet.

- Seilzugarretierung von Schaltseilzug und Wählseilzug bis Anschlag nach vorn in -Pfeilrichtung 1- ziehen und danach in -Pfeilrichtung 2- verriegeln.

up!
Der Schaltseilzug ist bei einigen Ausstattungsvarianten nur unterhalb des Fahrzeugs in -Pfeilrichtung- zugänglich.
Fortsetzung für alle

- Sicherungsscheiben -Pfeile- für Seilzüge vom Seilzugwiderlager abbauen.
- Abgasanlage an der vorderen Trennstelle trennen.
- Abgasanlage aushängen.
- Wärmeschutzblech abbauen → Karosserie-Montagearbeiten Außen.
- Schaltgehäuse herunter schwenken und mit Seilzügen entnehmen.
Einbauen
Der Einbau erfolgt in umgekehrter Reihenfolge, dabei ist Folgendes zu beachten:

- Die Seilzüge -1- von der Schaltbetätigung -2- zum Getriebe wie folgt verlegen:

up!
Seilzüge und Wärmeschutzblech werden durch den Clip -A- falls vorhanden, zueinander in Position gehalten.

Fortsetzung für alle
- Seilzüge in die Seilzugarretierungen einsetzen.
Sicherungsscheiben -Pfeile- für Seilzüge in das Seilzugwiderlager eindrücken.

- Schaltgehäuse parallel zum Aufbau ausrichten.
- Mittelkonsole zusammenbauen und festschrauben → Karosserie-Montagearbeiten Innen.
- Einsatz Mittelkonsole einbauen → Karosserie-Montagearbeiten Innen.
- Schelle -Pfeil- ersetzen.
- Wärmeschutzblech montieren → Karosserie-Montagearbeiten Außen.
- Abgasanlage zusammenbauen und einhängen.
- Schaltbetätigung einstellen.
- Falls ausgebaut, komplettes Luftfiltergehäuse einbauen.
- Batterie anklemmen und die Arbeitsschritte nach dem Anklemmen der Batterie beachten → Elektrische Anlage.
Anzugsdrehmomente
Schaltgehäuse an Aufbau.
Seilzugwiderlager an Getriebe

Schaltbetätigung in Stand setzen
Seilzugwiderlager vom Getriebe abbauen
Die Schrauben -Pfeil A- sind vom Motorraum zugänglich.
Die Schraube -Pfeil B- ist unterhalb des Fahrzeugs zugänglich.

Seilzugarretierung für Schaltseilzug und Umlenkhebel ab- und anbauen
- Sicherungsscheibe -1- für den Schaltseilzug -2- vom Getriebeschalthebel abbauen und Arretierung für Schaltseilzug von dem Zapfen abziehen.
- Seilzugarretierung für den Umlenkhebel -3- gemeinsam mit dem Umlenkhebel ausbauen.

Die Seilzugarretierungen zuordnen
Die Bohrungen in den Seilzugarretierungen haben unterschiedliche Durchmesser.

Seilzugarretierung für:-Maß "a"
1. Schaltseilzug an Getriebeschalthebel-8,5 mm
2. Wählseilzug an Umlenkhebel-10 mm
Die Bohrungen in den Seilzugarretierungen haben unterschiedliche Durchmesser.
- Eine kleine Menge Fett auf den Zapfen des Getriebeschalthebels streichen.
Fett über den → Elektronischen Teilekatalog (ETKA) zuordnen.
- Sicherungsscheibe -1- für den Schaltseilzug -2- nach Demontage ersetzen.
- Umlenkhebel -3- und die Seilzugarretierung gemeinsam montieren.

Getriebeschalthebel fetten

Getriebeschalthebel einbauen
- Beim Aufsetzen des Getriebeschalthebels darauf achten, dass die Zahnlücke -Pfeil A- über die unterbrochene Zahnteilung der Schaltwelle -Pfeil B- gesteckt wird.
Hinweis
Die Darstellung des Getriebeschalthebels kann vom Originalteil abweichen.

Einbaulage Getriebeschalthebel/Umlenkhebel

Umlenkhebel fetten
Hinweis
Die Darstellung des Umlenkhebels kann vom Originalteil abweichen.

Umlenkhebel mit Seilzugarretierung aus- und einbauen
Damit werden Beschädigungen des Wählseilzugs vermieden.
- Sicherungsmechanismus bis Anschlag nach vorn in -Pfeilrichtung 1- ziehen und danach nach links in -Pfeilrichtung 2- verriegeln.
- Dann den Umlenkhebel nach vorn drücken (-Pfeilrichtung 3-).

- Den Clip -Pfeil 1- abziehen und den Umlenkhebel gemeinsam mit der Seilzugarretierung entnehmen.
Die Seilzugarretierung muss sich hinter der Raste -Pfeil 2- befinden.
Hinweis
- Seilzugarretierung auf den Umlenkhebel aufdrücken.
- Umlenkhebel gemeinsam mit Seilzugarretierung bis Anschlag einsetzen.

Seilzugarretierung für Wählseilzug vom Umlenkhebel abhebeln
- Einen Schlitzschraubendreher -A- zwischen der Buchse -B- und dem Umlenkhebel ansetzen.

Seilzugarretierung auf Umlenkhebel aufdrücken

Schaltbetätigung einstellen
Benötigte Spezialwerkzeuge, Prüf- und Messgeräte sowie Hilfsmittel
Hinweis
- Luftfiltergehäuse ausbauen, wenn dadurch der Getriebeschalthebel und die Seilzugarretierung von Schaltseilzug und Wählseilzug nicht zugänglich sind.

- Leerlaufstellung prüfen, dazu Getriebeschalthebel in -Pfeilrichtung - herunterdrücken.

- Seilzugarretierung von Schaltseilzug und Wählseilzug bis Anschlag nach vorn in -Pfeilrichtung 1- ziehen und danach in -Pfeilrichtung 2- verriegeln.

up!
Der Schaltseilzug ist bei einigen Ausstattungsvarianten nur unterhalb des Fahrzeugs in -Pfeilrichtung- zugänglich.

Fortsetzung für alle
- Schalthebelmanschette und, wenn vorhanden, Geräuschdämpfung von der Mittelkonsole abbauen.
Jetzt den Schalthebel wie folgt feststellen:
- Leerlaufstellung am Schalthebel einlegen.
- Den Absteckstift -T10027 A- durch die Bohrung -A- in die Bohrung -B- führen.

- Jetzt den Sicherungsmechanismus an der Seilzugarretierung von Schaltseilzug und Wählseilzug bis Anschlag in -Pfeilrichtung 1- drehen.
Die Feder drückt den Sicherungsmechanismus in die Ausgangsstellung -Pfeilrichtung 2-.

- Den Absteckstift aus den Bohrungen -A- und -B- herausziehen.
- Geräuschdämpfung, falls vorhanden, einsetzen.
- Manschette in die Konsole eindrücken.
- Die Schaltwelle auf Freigängigkeit prüfen.
- Falls ausgebaut, das komplette Luftfiltergehäuse einbauen.

Schaltbetätigung prüfen
- Kupplung betätigen.
- Alle Gänge mehrmals durchschalten.
- Wenn der Schalthebel zum Einlegen des Rückwärtsgangs "herunter" gedrückt werden muss, ist auf die Funktion der Rückwärtsgangsperre besonders achten.
- Tritt beim wiederholten Einlegen eines Ganges noch ein Haken auf, Schaltbetätigung bitte nochmal einstellen.
Schaltbetätigung zerlegen und zusammenbauen
Schaltbetätigung zerlegen und zusammenbauen, - Schalthebel wird zum Einlegen des Rückwärtsgangs "nicht herunter" gedrückt
Benötigte Spezialwerkzeuge, Prüf- und Messgeräte sowie Hilfsmittel
Zerlegen
- Schaltbetätigung ausbauen.
- Die Laschen -Pfeile- der Bodenplatte mit einem Schraubendreher aufbiegen; (hier sind nur die Laschen im linken Bereich der Bodenplatte gekennzeichnet).

- Die Bodenplatte abnehmen.
- Dichtung vom Schaltgehäuse entfernen.
- Den Schaltseilzug und den Wählseilzug aus dem Schaltgehäuse ausbauen.
- Clip - A- aus der Lagerachse für den Wählwinkel herausziehen.

- Mit einem Schraubendreher die Raste - B- der Lagerbuchse für den Wählwinkel herunterdrücken. Ggf. Raste abbrechen.
- Lagerbuchse für den Wählwinkel aus Schaltgehäuse drücken.

- Mit einem Schraubendreher die Rasten -Pfeile- der Lagerschale in Richtung Lagerkugel, der Schalthebelführung drücken. Ggf. Rasten abbrechen.

- Lagerschale mit Schalthebel aus dem Schaltgehäuse heraushebeln -Pfeil A-.
- Dann die Lagerschale von der Lagerkugel der Schalthebelführung abdrücken -Pfeil B- und Schalthebel mit Wählwinkel entnehmen.

- Schalthebel mit Wählwinkel in einen Schraubstock mit Schutzbacken einspannen.
- Wählwinkel vom Schalthebel in -Pfeilrichtung- abdrücken.
Vorsicht!
Die Druckfeder -A- kann unkontrolliert von dem Wählwinkel herunter schnellen.
Zusammenbauen
- Lagerbuchse auf Schalthebel aufsetzen.

Einbaulage der Lagerbuchse
Die umlaufend angeordneten Schlitze -Pfeil- zeigen zum Schalthebel.

- Den Wählwinkel gemeinsam mit der Druckfeder auf den Schalthebel montieren:
- Den Schenkel -A- der Druckfeder von oben in die Führung (in Richtung Schalthebel) einlegen.
- Den Schenkel -B- der Druckfeder vorsichtig nach unten ziehen und in die Führung (in Richtung Schalthebel) einlegen.
- Wählwinkel -Pfeil- auf den Schalthebel drücken.
Vorsicht!
Die Druckfeder darf nicht unkontrolliert von dem Wählwinkel herunter schnellen.
- Falls abgebaut, Lagerschalen auf Schalthebel aufdrücken.

Einbaulage der Lagerschalen
Die Stege -A- befinden sich in den Bohrungen -B-.

- Eine neue Lagerschale -A- auf den Schalthebel auflegen.
- Die Lagerschale -A- und die Lagerschalen des Schalthebels fetten.
- Die Lagerschale in -Pfeilrichtung- drehen.

- Die Lagerschale -A- gemeinsam mit Schalthebel und Wählwinkel in das Schaltgehäuse eindrücken. Einbaulage beachten.
- Lagerbuchse - B- für Wählwinkel einschieben.

Einbaulage der Lagerbuchse
Die Raste - B- muss in der Aussparung des Schaltgehäuses arretieren.
- Wählwinkel mit dem Clip - A- sichern.
- Schaltseilzug und Wählseilzug montieren und.

Bodenplatte an Schaltgehäuse befestigen
- Neue Dichtung auf die Bodenplatte auflegen.
Vorsicht!
Beschädigungsgefahr von Schaltgehäuse und Bodenplatte.
Schaltgehäuse nur geringfügig verspannen.
- Bodenplatte befestigen, dazu die Laschen -Pfeile- umlaufend umbördeln (hier sind nur die Laschen im linken Bereich der Bodenplatte gekennzeichnet).
- Die Laschen können mit dem Keil -T10357- gebördelt werden.
- A- = Gegenstütze z. B. von -Kukko- Baureihe 16
- Neue Dichtung auf das Schaltgehäuse kleben.
- Schaltbetätigung einbauen.
- Schaltbetätigung einstellen.

Betätigungsseilzug aus- und einbauen
Betätigungsseilzug aus- und einbauen, - Schalthebel wird zum Einlegen des Rückwärtsgangs "nicht herunter" gedrückt
Benötigte Spezialwerkzeuge, Prüf- und Messgeräte sowie Hilfsmittel
Ausbauen
- Schaltbetätigung ausbauen.
- Die Laschen -Pfeile- der Bodenplatte mit einem Schraubendreher aufbiegen; (hier sind nur die Laschen im linken Bereich der Bodenplatte gekennzeichnet).

- Die Bodenplatte abnehmen.
- Dichtung abnehmen.

- Schaltseilzug -1- und Wählseilzug -4- vom Schalthebel und Wählhebel z. B. mit dem Entriegelungswerkzeug -T10236- oder einem Schraubendreher abdrücken.
- Sicherungsscheiben -2- und -3- abziehen.
- Schaltseilzug und Wählseilzug vom Schaltgehäuse abziehen.

Einbauen
Der Einbau erfolgt in umgekehrter Reihenfolge, dabei Folgendes beachten:
- Schaltseilzug und Wählseilzug am Schaltgehäuse mit Sicherungsscheiben -2- und -3- befestigen.
- Schaltseilzug -1- auf Schalthebel und Wählseilzug -4- auf Wählhebel im Schaltgehäuse aufdrücken.

- Bodenplatte durch Andrücken der Laschen -Pfeile- an das Schaltgehäuse befestigen.
- Schaltbetätigung einbauen.
- Schaltbetätigung einstellen.

Dichtring für Schaltwelle ersetzen
Benötigte Spezialwerkzeuge, Prüf- und Messgeräte sowie Hilfsmittel

- Das komplette Luftfiltergehäuse ausbauen, wenn es sich oberhalb der Schaltbetätigung befindet.
- Batterie und Batterieträger ausbauen → Elektrische Anlage.

- Sicherungsscheibe - 1- für den Schaltseilzug - 2- vom Getriebeschalthebel abbauen.
- Schaltseilzug von dem Zapfen abziehen.
- Umlenkhebel -3- gemeinsam mit Seilzugarretierung ausbauen.
- Getriebeschalthebel abbauen, dazu die Mutter -4- abschrauben.

- Den Dichtring mit dem Ausdrückhebel -T20143/1- heraushebeln.

- Raum zwischen Dicht- und Staublippe -Pfeil- zur Hälfte mit Dichtfett -G 052 128 A1- füllen.

- Dichtring mit dem Rohrstück -VW 423- bis Anschlag eindrücken.
Der weitere Einbau erfolgt in umgekehrter Reihenfolge, dabei ist Folgendes zu beachten:
- Den Getriebeschalthebel an die Schaltwelle des Getriebes anbauen.
- Schaltbetätigung einstellen.
- Die Sechskantmutter mit Anzugsdrehmoment festziehen.
- Batterie einbauen → Elektrische Anlage.
- Falls ausgebaut, das komplette Luftfiltergehäuse einbauen.

Anzugsdrehmomente für Getriebe
Pos. -A- für Passhülsen zur Zentrierung.
Getriebe ausbauen
Getriebe ausbauen, up!
Benötigte Spezialwerkzeuge, Prüf- und Messgeräte sowie Hilfsmitte ...
Siehe auch:
Leitungsstrang-und Steckerreparatur
Allgemeine Hinweise zur Reparatur an der Fahrzeugelektrik
Vorsicht!
Zum Ab- und Anklemmen der Batterie müssen Sie die Vorgehensweise, wie im Reparaturleitfaden
beschrieben, einhalten.
ACHTUNG!
Einige Werkzeuge verfügen über einen Werkzeugs ...